Accueil DMG-Lib
Accueil  · Plan du site  · Contact  ·

Recherche avancée   Recherche de mécanisme

Rectificadores., in: Dyna, Volume 29. 1954

thumbnail
Dokument öffnen (benötigt JavaScript)   Ouvrir le document

Informations générales

Auteur Ramón, lucas Ortueta
Publié  Dyna Journal, Bilbao, Spain, 1954
Edition  
Extension  
ISBN
Abstract "Rectificadores.". Dyna Journal, vol. 29 No. 9, pp. 436-442, Bilbao, Spain, (1954).
"Rectificadores." Artículo procedente de los artículos publicados por la revista "Dyna Journal", vol. 29 No. 9, pp. 436-442, Bilbao, Spain, (1954).
www.revistadyna.com
Collections
Articles de journal
1950-1999
Superordinate work
 
no fulltext found Volume 29. 1954, in: Dyna
Auteur: Azaceta, Esteban; Blasberg, E.; Groot, A.; Borrel Mas, Francisco; Sánchez Ruíz, José Antonio; Truan, Antonio; Velasco de Pando, Manuel; Z.L., Rowley; B.G.A., Skrotzki; Ramón, lucas Ortueta; Enrrique, Borrás Burcart
Publié: 1954
Images
 
Fundamental circuit of the half-wave rectifier.
Cliquez pour agrandir
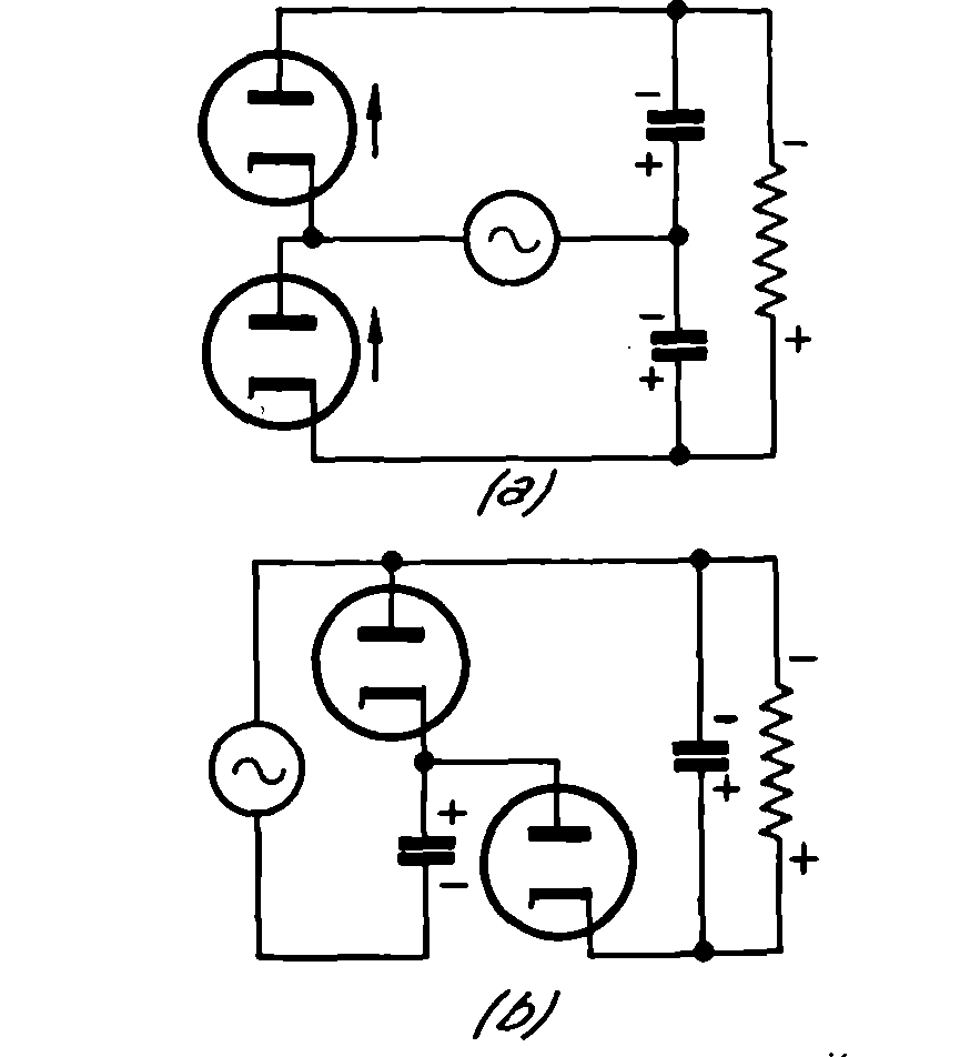
Voltage doublers rectifier circuits.
Cliquez pour agrandir
Three-Phase rectifiers, using diodes.
Cliquez pour agrandir
System of gradual variation of the lighting of a room using tyratrones
Cliquez pour agrandir
Linked items
Images: Voltage doublers rectifier circuits.
Documents: Volume 29. 1954
Permanent links
DMG-Lib FaviconDMG-Lib https://www.dmg-lib.org/dmglib/handler?docum=26653009
Europeana FaviconEuropeana  http://www.europeana.eu/portal/record/2020801/dmglib_handler_docum_26653009.html
Data provider
UBCUniv. Basque C.  http://www.ehu.es/compmech/welcome/Home.html
Administrative information
Time of publication 1954

×